你在这里:首页

产品中心

COL10/20 | 光纤准直器

COL10/20光纤准直器,带有SMA905或者FC/PC接口,镜片直径可选择6mm,10mm,20mm;可以用于单模或者多模光纤跳线,对准波长从360 nm到1620 nm,根据波长不同,每个准直器都经过出厂对准,简化光纤耦合探测系统,采用铝合金阳极化黑色外壳。用于准直从FC/PC或者SMA905接头光纤出射的光,并具有衍射极限的性能。这些光纤准直器可以通过拧松侧面的螺钉来微调焦距,产品结构紧凑,方便集成到已有的装置中。因为非球面透镜会产生色差,所以有效焦距(EFL)与波长有关。可以接光纤输出光功率小于10w的跳线!


 本产品可以用于光纤准直也可以用于耦合聚焦用;有一片非球面镀膜的透镜,和铝合金外壳组合而成。可选FC/PC,FC/APC和SMA905接口。

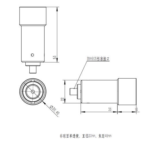
型号 增透膜波长范围 光纤接口 镜片直径 焦距 实物图 尺寸图
COL10-550-FCPC 350~800nm FC/PC 10.0mm 18mm    
COL10-850-FCPC 600~1050nm FC/PC 10.0mm
COL10-1310-FCPC 1050~1620nm FC/PC 10.0mm
COL10-550-SMA 350~800nm SMA905 10.0mm
COL10-850-SMA 600~1050nm SMA905 10.0mm
COL10-1310-SMA 1050~1620nm SMA905 10.0mm
COL20-550-FCPC 350~800nm FC/PC 20.0mm 47mm    
COL20-850-FCPC 600~1050nm FC/PC 20.0mm
COL20-1310-FCPC 1050~1620nm FC/PC 20.0mm
COL20-550-SMA 350~800nm SMA905 20.0mm
COL20-850-SMA 600~1050nm SMA905 20.0mm
COL20-1310-SMA 1050~1620nm SMA905 20.0mm


COL10准直器配套支架

FL75 法兰盘 FLC75 法兰盘
FL75 安装图 产品连接 FLC75 安装图 产品连接

FL75 法兰盘

OSB 光学支杆
FLC75 法兰盘

OS 光学镜架

OSB 光学支杆
FS-75 支架
FS-75 安装图 产品连接

FS-75 支架

SMA905接头的石英光纤


COL20准直器配套支架

OSS-25.4 二维光学镜架 OS-25.4 光学镜架
OSS-25.4 安装图 产品连接 OS-25.4 安装图 产品连接

OSS 光学镜架

OSB 光学支杆


OS 光学镜架

OSB 光学支杆